Вентилятор является универсальным, и наиболее часто применяется в составе с радиаторами для отвода тепла. Он может быть легко смонтирован в технический проём или вентиляционный канал, встроен в корпус оборудования и несущую конструкцию.
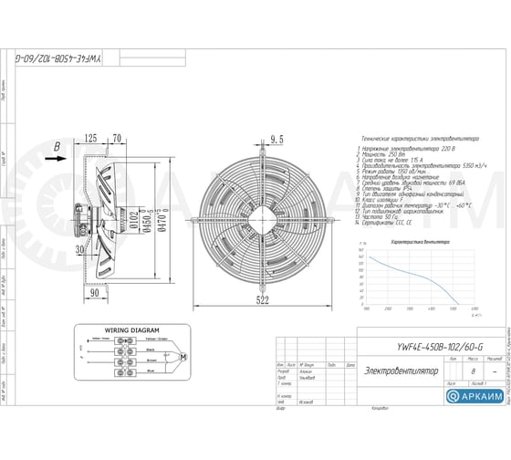
.Эффективная и надежная работа вентиляторов серии YWF послужила их широкому распространению в области холодильного, вентиляционного, сушильного оборудования. Широкий диапазон рабочих температур (от -30 до +60 °C) позволяет использовать данный вентилятор для широкого ряда задач, совместимость будет обусловлена техническими характеристиками и присоединительными размерами (подробный чертеж приложен).
.Вентилятор комплектуется двухфазный малошумным электродвигателем с 4 полюсами, параметры входного напряжения: 220 В/50 Гц. Данная модель вентилятора работает на «нагнетание» (на радиатор) и может создать максимальный поток воздуха, равный 5570 м3/час.
.Крыльчатка вентилятора изготовлена из углеродистой стали с износостойким лакокрасочным покрытием и имеет динамическую балансировку в двух плоскостях для максимального снижения уровня шума.
.Технические характеристики:
Технические характеристики
-
Мощность, Вт250
-
Производительность, м³/ч5570
-
Взрывозащищенныйнет
-
Коррозионностойкийнет
-
Установочный размер, мм522х522
-
Напряжение, В220
-
Управлениемеханическое
-
Уровень шума, дБ69
-
Батарейкинет
-
Материал лопастейсталь
-
Тип вентиляторавстраиваемый, промышленный
-
Цветчерный
-
Вес нетто, кг8
-
Габариты без упаковки, мм522х522х195
-
Пылевойнет
