Вентилятор является универсальным, и наиболее часто применяется в составе с радиаторами для отвода тепла. Он может быть легко смонтирован в технический проём или вентиляционный канал, встроен в корпус оборудования и несущую конструкцию.
.Эффективная и надежная работа вентиляторов серии YWF послужила их широкому распространению в области холодильного, вентиляционного, сушильного оборудования. Широкий диапазон рабочих температур (от -30 до +60 °C) позволяет использовать данный вентилятор для широкого ряда задач, совместимость будет обусловлена техническими характеристиками и присоединительными размерами (подробный чертеж приложен).
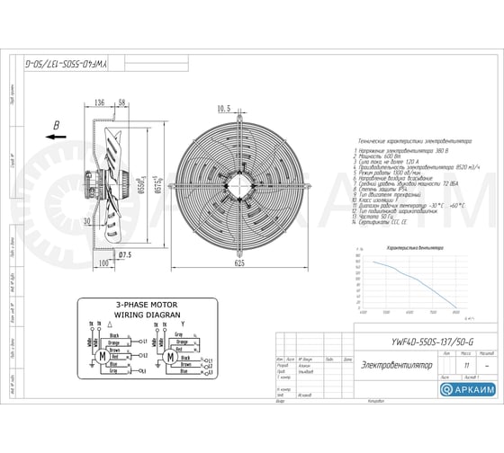
.Вентилятор комплектуется трехфазным малошумным электродвигателем с 4 полюсами, параметры входного напряжения: 380 В/50 Гц. Данная модель вентилятора работает на всасывание (от радиатора) и может создать максимальный поток воздуха, равный 8920 м3/час. Крыльчатка вентилятора YWF4D-550S-137/50-G имеет динамическую балансировку в двух плоскостях для максимального снижения уровня шума.
.Технические характеристики:
Технические характеристики
-
Мощность, Вт600
-
Производительность, м³/ч8920
-
Взрывозащищенныйнет
-
Коррозионностойкийнет
-
Установочный размер, мм625х625
-
Напряжение, В380
-
Управлениемеханическое
-
Уровень шума, дБ72
-
Батарейкинет
-
Материал лопастейсталь
-
Тип вентиляторавстраиваемый, промышленный
-
Цветчерный
-
Вес нетто, кг11
-
Габариты без упаковки, мм625х625х194
-
Пылевойнет
