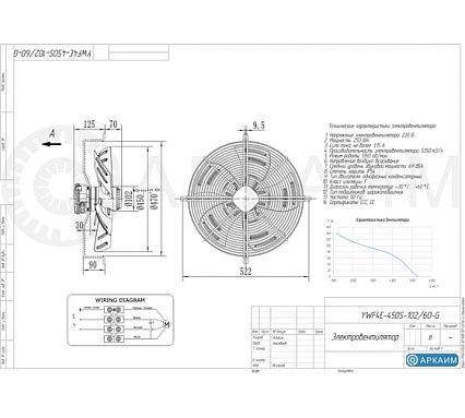
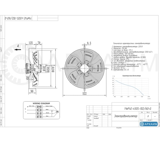
Вентилятор является универсальным, и наиболее часто применяется в составе с радиаторами для отвода тепла. Он может быть легко смонтирован в технический проём или вентиляционный канал, встроен в корпус оборудования и несущую конструкцию. Эффективная и надежная работа вентиляторов серии YWF послужила их широкому распространению в области холодильного, вентиляционного, сушильного оборудования.. Широкий диапазон рабочих температур (от -30 до +60 °C) позволяет использовать данный вентилятор для широкого ряда задач, совместимость будет обусловлена техническими характеристиками и присоединительными размерами (подробный чертеж приложен).. Технические характеристики: Диаметр крыльчатки: 450 мм; Воздушный поток: 5350 м3/час; Мощность: 250 Ватт; Скорость вращения: 1350 об/мин; Напряжение питания: 220 В; Уровень шума: 69 дБА; Направление потока: всасывание (от радиатора); Степень защиты: IP44, IP54; Рабочая температура: от -30 до +60 °C; Подробные размеры: на чертеже в фотографиях. . Вентилятор Weiguang YWF4E-450S-102/60-G комплектуется однофазным малошумным электродвигателем с 4 полюсами, параметры входного напряжения: 220 В/50 Гц. Данная модель вентилятора работает на всасывание (от радиатора) и может создать максимальный поток воздуха, равный 5350 м3/час.. Крыльчатка вентилятора изготовлена из углеродистой стали с износостойким лакокрасочным покрытием и имеет динамическую балансировку в двух плоскостях для максимального снижения уровня шума.
Технические характеристики
-
Мощность, Вт250
-
Производительность, м³/ч5350
-
Взрывозащищенныйнет
-
Коррозионностойкийнет
-
Установочный размер, мм522х522
-
Напряжение, В220
-
Управлениемеханическое
-
Уровень шума, дБ69
-
Батарейкинет
-
Материал лопастейсталь
-
Тип вентиляторавстраиваемый, промышленный
-
Цветчерный
-
Вес нетто, кг8.3
-
Габариты без упаковки, мм522х522х195
-
Пылевойнет
