Инсталляция для унитаза Geberit Duofix Sigma
12, с площадками для поручней 111.375.00.5
12, с площадками для поручней 111.375.00.5
Geberit, Германия
69 965
Описание производителя
Цель применения
- Для гипсокартонных стен
- Для встраивания в пристенки по высоте бачка или по высоте помещения
- Для встраивания в перегородку систем Geberit Duofix по высоте бачка или помещения
- Для встраивания в фальшстены по высоте помещения
- Подходит для лиц с ограниченными возможностями
- Для подвесных унитазов с размерами подключения согласно EN 33:2011
- Для подвесных унитазов с вылетом до 70 см
- Для крепления поручней и опор
- Для одинарного, двойного смыва или смыва «смыв/стоп»
- Для напольных покрытий толщиной 0–20 см
Характеристики
- Самонесущая pама с порошковой окраской
- Рама подготовлена для крепления крепежных скоб для установки нестандартного санфаянса
- Регулируемая высота установки унитаза на этапе основных строительных работ, 41–46 см
- Стойка оцинкованная
- Стойки с возможностью перемещения 0–20 см
- Стойки с защитой от скольжения
- Опорные площадки поворотные
- Глубина опорных площадок подходит для монтажа в U-образные профили UW 50 и UW 75 и в направляющие системы Geberit Duofix
- Соединительное колено может монтироваться на различной глубине без использования инструментов, диапазон смещения – 45 мм
- Крепление соединительного колена шумопоглощающее
- Смывной бачок скрытого монтажа с фронтальной установкой
- Смывной бачок скрытого монтажа с противоконденсатной оболочкой
- При заводской установке возможен немедленный последующий смыв
- Монтаж и сервисное обслуживание смывного бачка скрытого монтажа не требуют использования инструментов
- Подвод воды сзади или сверху по центру
- Защитная крышка окна технического обслуживания защищает от влаги и грязи
- Защитная крышка окна технического обслуживания с возможностью укорачивания
- Опорная площадка из фанерованного дерева, водонепроницаемая склейка
- Оснащен трубкой подвода воды для подсоединения унитазов-биде Geberit AquaClean
- С возможностью крепления для электропитания
Технические характеристики
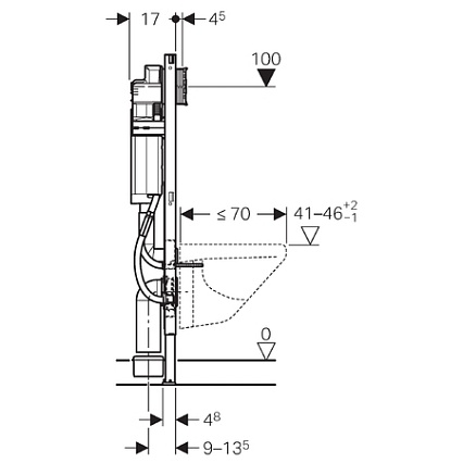
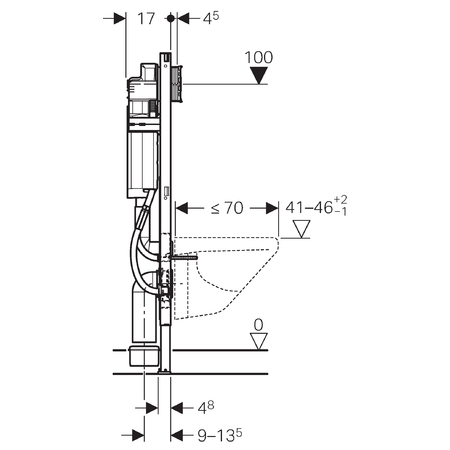
Размеры
-
Глубина, см12
-
Высота, см112
-
Объем бачка, л3.6
-
Межосевое расстояние для монтажа унитаза, см18-23
-
Диаметр слива5
-
Монтажная высота, см112
-
Монтажная глубина, см17
Внешнее исполнение
-
ЦветСиний, Белый
Особенности
-
Материал рамыМеталл
-
Подвод водыСверху
-
Механизм сливаМеханическая кнопка
-
Монтаж к капитальной стенеДа
-
Монтаж к стене из гипсокартонаДа
-
Монтаж к полуДа
-
Тип унитазаПодвесной
Схемы и инструкции
Дополнительно
