Акриловая ванна VagnerPlast Cavallo 160x70 см
VagnerPlast, Чехия
49 123
Простая и удобная акриловая ванна прямоугольной формы VagnerPlast Cavallo 160x70 см, арт. VPBA167CAV2X-04 представлена в ультрасовременной коллекции Cavallo, которая привлекает внимание строгими прямоугольными формами и четкими линиями без округлостей. Модель имеет стандартную конструкцию с одной спинкой и боковым расположением слива. Ее отличают узкие бортики, позволяющие добиться максимального объема чаши и сохранить компактность.
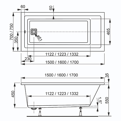
- Размеры ванны составляют 160x70 см, такая модель подойдет для небольших ванных комнат.
- Изделие закрывается декоративными панелями с разных сторон для более эстетичного вида и защиты пространства под чашей.
- Ванна произведена из английского белоснежного акрила, обладающего низкой теплопроводностью и антибактериальными качествами.
Технические характеристики
Размеры
-
Длина, см?Длина акриловой ванны - это максимальное расстояние между точками расположенными на внешнем контуре ванны, в параллельном направлении наиболее длинной стороны для приставной ванны или просто максимальное расстояние между точками на внешнем контуре для отдельностоящей ванны.160
-
Глубина, см?Глубина акриловой ванны, это расстояние от ее дна, до перелива. Чем больше глубина ванны, тем приятнее принимать водные процедуры и тем больше себя ощущаешь в открытой воде. Как правило, чем меньше размер ванны, тем меньше у нее глубина и наоборот. У современных ванн этот параметр обычно находится в пределах от 35 до 60 см.45
-
Объем, л?Объем акриловой ванны - максимальное количество воды, которое способно поместиться в ванну, прежде чем она начнет выливаться через перелив. Чем меньше этот показатель, тем более экономно вы будете расходовать холодную и горячую воду, но тем теснее вам будет принимать водные процедуры. Чем больше будет объем у вашей ванны, тем комфортнее вам будет в ней находится, но за это придется заплатить повышенным расходом воды.214
-
Высота, см?Высота ванны - это расстояние от пола до верхней точки ванны. Как правило у акриловых ванн установлены регулируемые ножки, что позволяет добиться устойчивого положения ванны на полу, даже в случае ели у него в разных местах существует перепад высот.59
-
Толщина акрила, мм?Толщина акрила ванны может составлять от 2-х до 6.5 мм. Чем больше толщина акрилового листа у ванны, тем дольше она будет вам служить. Так например, если толщина листа составляет от 2-х до 4-х мм, такая ванна прослужит вам 5-8 лет, если толщина от 4-х до 5-ти мм, эта прослужит уже 8-12 лет, а если толщина акрилового листа от 5-ти мм, то такая ванна способна прослужить уже до 20-ти лет. Также толщина листа говорит о возможности полировки ванны, чем толще лист, тем большее количество раз можно выполнять этот процесс.5
-
Ширина, см70
Внешнее исполнение
-
Цвет?Современные производители наладили выпуск акриловых ванн в совершенно разных цветах. Черные, красные, желтые, зеленые, синие и многие другие цвета и оттенки используются в производстве. Также встречаются ванны с рисунками и содержащие несколько цветов. Но самым популярным был и остается классический белый цвет.Белый
-
Расположение ванныЛюбое
-
Способ установкиК стене
-
ФормаПрямоугольная
-
СтильСовременный
-
Асимметричная формаНет
Оборудование
-
ГидромассажНет
-
АэромассажНет
-
ХромотерапияНет
-
ПодсветкаНет
-
АроматерапияНет
-
ДезинфекцияНет
-
ОзонированиеНет
Дополнительно
-
Количество мест1
-
Антискользящее покрытиеЕсть
-
СиденьеНет
Прочие
-
Тип товараАкриловая ванна
Схемы и инструкции
Дополнительно
Слив-перелив п/автомат VAGNERPLAST V55R 60 cм
эко
эко
Vega, Италия
2 990
