Описание производителя:
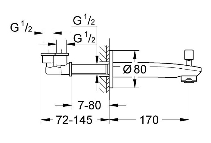
Излив для ванны
настенный монтаж
GROHE StarLight хромированная поверхность
аэратор
автоматический переключатель: ванна/душ
со встроенной соединительной деталью
внешняя резьба 1/2"
вынос 170 мм
Технические характеристики
Размеры
-
Ширина, см8
-
Высота, см8
-
Глубина, см17
-
Стандарт подводки, "1/2
Внешнее исполнение
-
СтильСовременный
-
ЦветХром
-
ПокрытиеГлянцевое
-
Способ монтажаНа стену
-
Форма изливаТрадиционная
Особенности
-
МатериалЛатунь
-
Кол-во отверстий для монтажа1
-
АэраторЕсть
-
Экономия водыЕсть
Прочие
-
ТермостатНет
