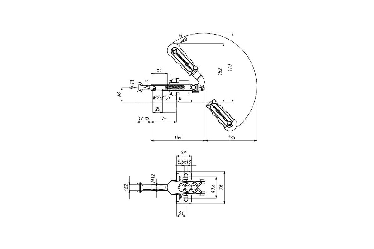
Зажим механический плунжерный пружинный Kukamet 511-7-Y применяется для фиксации заготовок при выполнении различных технологических операций в столярном, слесарном или сварочном мелкосерийном производстве. Зажим может быть зафиксирован в открытом и закрытом положениях рукоятки. Устройство может активироваться движением на себя или от себя.
Технические характеристики
Материалы
-
Материал накладкисиликон
-
Материал струбцинысталь
Особенности
-
Max усилие, Н1850
-
Вид струбциныгоризонтальные
-
Назначение струбциныпо дереву, металлу, пластику, стеклу
-
Тип струбцинызажим
-
Тип зажимамеханический
