Вставка для метчиков KINTEK предназначена для использования в станках с ЧПУ и других механических системах, где требуется точная и надежная фиксация метчиков. Обычно такие вставки используются для нарезания резьбы в различных материалах. Обратите внимание на совместимость вставки с вашим оборудованием, а также на размеры и спецификации, такие как диаметр и длина, чтобы гарантировать правильную установку и эксплуатацию.
Технические характеристики
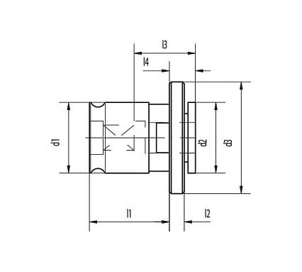
Размеры
-
Вылет быстросменного адаптера, мм6
-
Наружный диаметр, мм70
-
Посадочный квадрат метчика, мм9
Хвостовик
-
Диаметр хвостовика, мм48
-
Диаметр хвостовика метчика, мм12
Особенности
-
Предохранительная муфтанет
-
Тип цангиGr3
