Прижим механический вертикальный KUKAMET B211-3 представляет собой механическое приспособление для быстрой фиксации заготовок или деталей при их обработке, склейке или сварке.
Технические характеристики
Материалы
-
Материал накладкисиликон
-
Материал струбцинысталь
Особенности
-
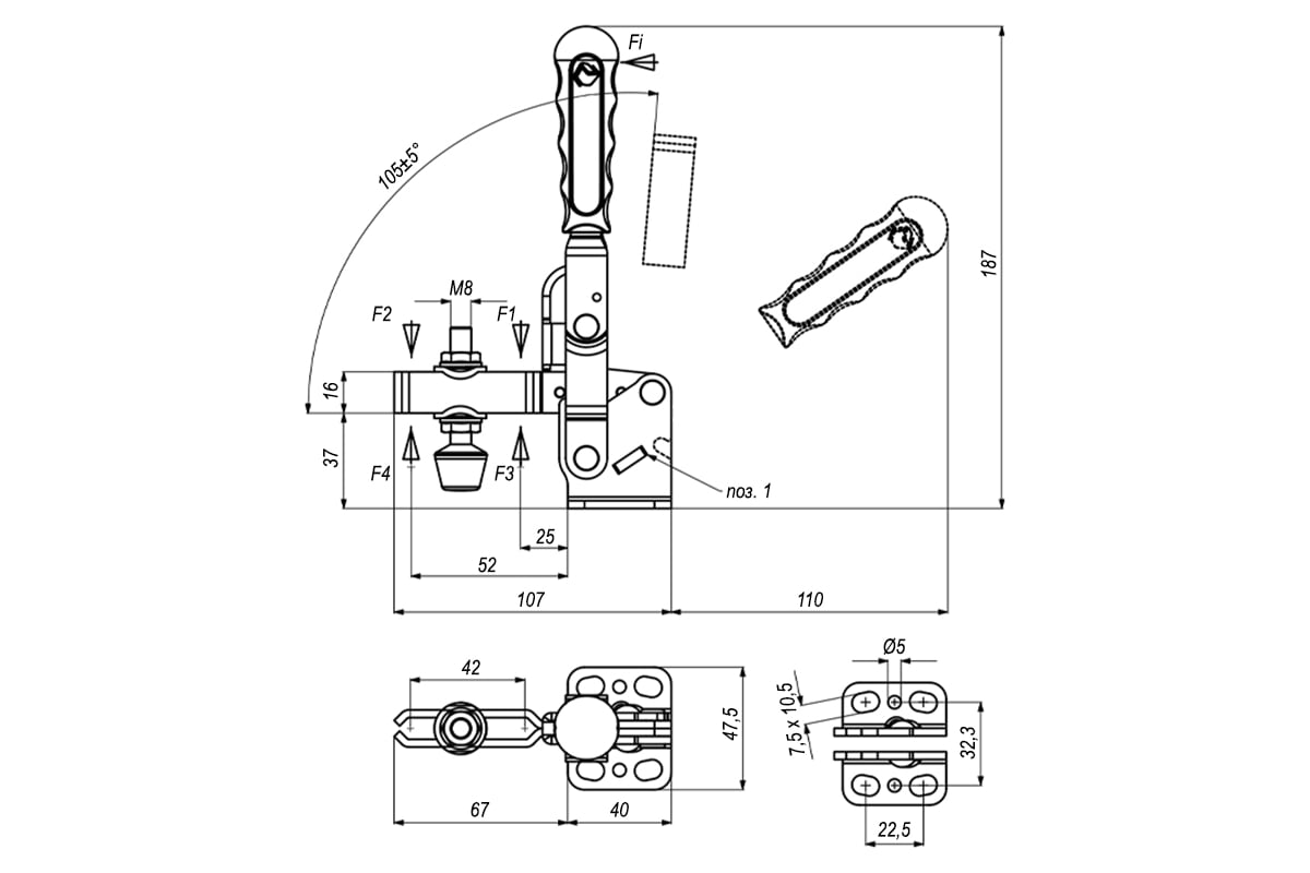
Max усилие, Н2000
-
Вид струбцинывертикальные
-
Назначение струбциныпо дереву, металлу, пластику, стеклу
-
Тип струбциныприжим
-
Тип зажимамеханический
Прочие
-
Класс товараПрофессиональный
