Материалы:
.Исполнение:
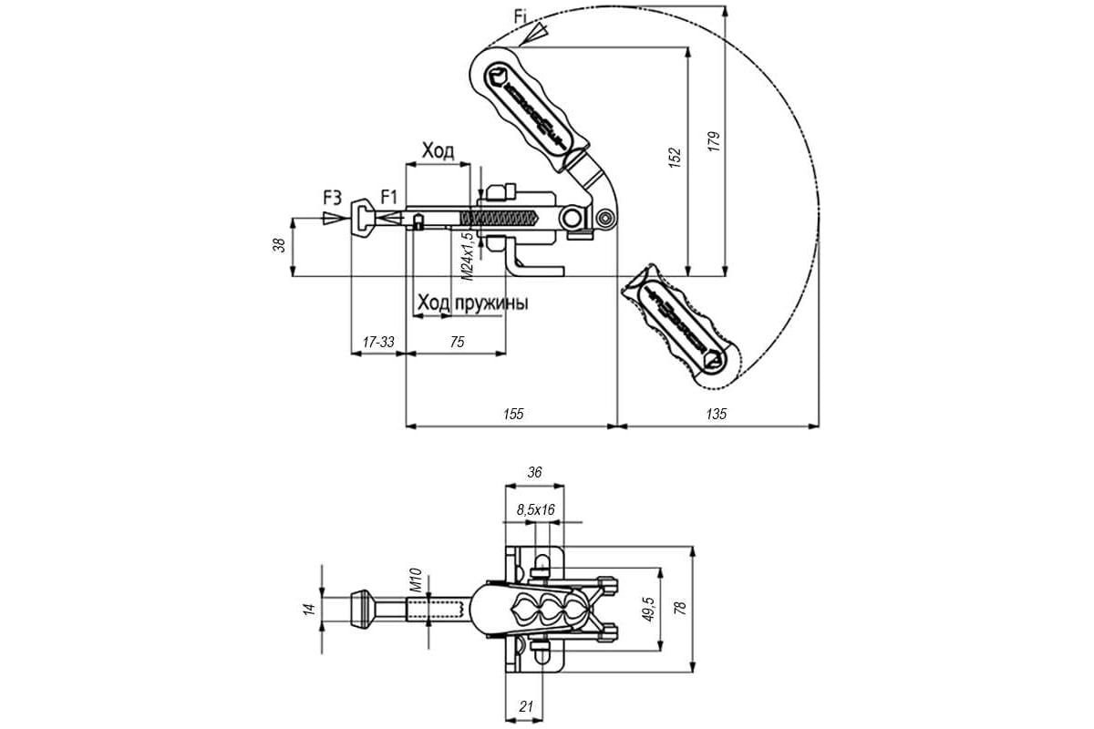
Технические характеристики
Размеры
-
Размер посадочной площадки, мм36x78
Материалы
-
Материал накладкисиликон
-
Материал струбцинысталь
Особенности
-
Max усилие, Н2200
-
Вид струбциныгоризонтальные
-
Назначение струбциныпо дереву, металлу, пластику, стеклу
-
Тип струбцинызажим
-
Тип зажимамеханический
Прочие
-
Вес нетто, кг1.052
-
Габариты без упаковки, мм78x152x172
-
Класс товараПрофессиональный
