Осевой вентилятор с внешнероторным двигателем с настенной панелью Тепломаш ВО-4М350B 312040 применяется для системы вентиляции производственных, общественных и жилых зданий, холодильной техники, а также других технологических установок.
.Модель используется для перемещения воздуха с температурой не более 40°С, не содержащего липких веществ и волокнистых материалов, с концентрацией пыли и других твёрдых примесей не более 10 мг/м3.
.Дополнительные характеристики:
Технические характеристики
Производительность вентилятора
-
Мощность, Вт140
-
Производительность, м³/ч2450
Функции
-
Взрывозащищенныйнет
-
Коррозионностойкийнет
Размеры
-
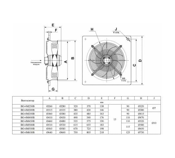
Диаметр воздуховодов, мм350
Особенности
-
Напряжение, В220
-
СерияВО
-
Управлениемеханическое
-
Уровень шума, дБ64
-
Батарейкинет
-
Материал лопастейсталь
-
Тип вентиляторавстраиваемый, промышленный
-
Цветчерный
Прочие
-
Вес нетто, кг5
-
Габариты без упаковки, мм485х485х163
-
Пылевойнет
