Опора ШВП TECHNIX BK30TEСHNIX имеет прецизионный стальной корпус, который отличается высокой жесткостью и устойчивостью к нагрузкам. Опора применяется для жесткой фиксации шарико-винтовой пары. Данная модель имеет простую установку.
Технические характеристики
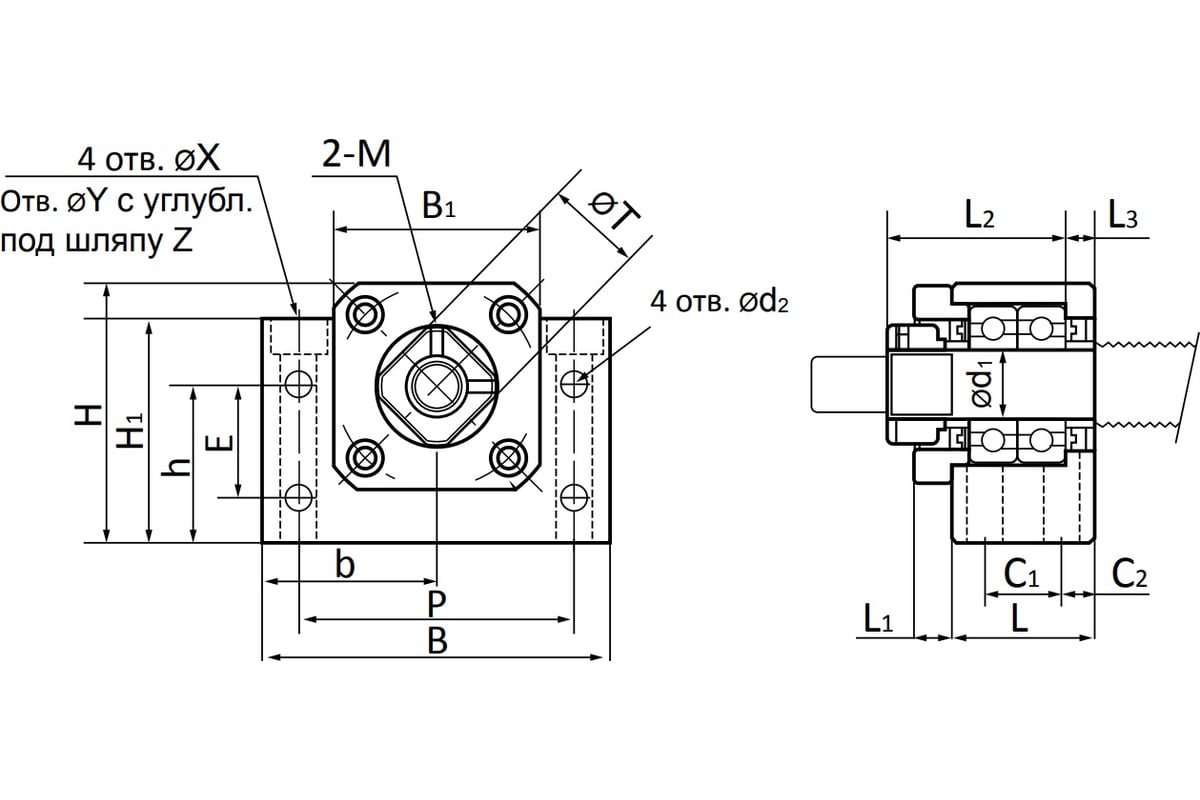
Размеры
-
Внутренний диаметр, мм30
-
Ширина, мм128
-
Размер монтажного болтаМ6
Особенности
-
Материалсталь
-
Серия системы линейного перемещенияBK
-
Элемент системы линейного перемещенияопора ШВП
-
Фланецесть
Прочие
-
Вес нетто, кг3.4
