Опора ШВП TECHNIX BK15TEСHNIX имеет прецизионный стальной корпус, который отличается высокой жесткостью и устойчивостью к нагрузкам. Опора применяется для жесткой фиксации шарико-винтовой пары. Данная модель имеет простую установку.
Технические характеристики
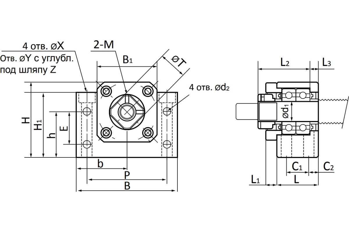
Размеры
-
Внутренний диаметр, мм15
-
Ширина, мм70
-
Размер монтажного болтаМ4
Особенности
-
Материалсталь
-
Серия системы линейного перемещенияBK
-
Элемент системы линейного перемещенияопора ШВП
-
Фланецесть
Прочие
-
Вес нетто, кг0.6
