Линейный подшипник предназначен для линейного перемещения по прецизионному валу соответствующего диаметра. Закрытая конструкция повышает надежность и ресурс подшипника, а также позволяет использовать его на валах без опоры. Изделие имеет малый температурный нагрев. Благодаря высокой плавности перемещения подшипник способен выдерживать большие нагрузки.
Технические характеристики
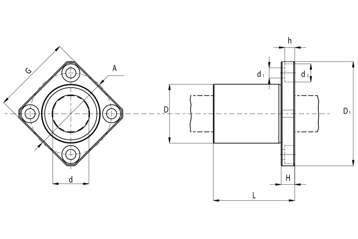
Размеры
-
Внутренний диаметр, мм12
-
Наружный диаметр, мм22
-
Ширина, мм32
Особенности
-
МаркировкаLMEK 12 UU /KBK 12 PP
-
Материал уплотненийбутадиен-нитрильный каучук (NBR), армированный сталью
-
Открытый/Закрытыйзакрытый с двух сторон
-
С выемкойнет
-
Тип подшипникалинейный подшипник
-
Фланец на наружном кольцеда
Прочие
-
Вес нетто, кг0.066
-
Габариты без упаковки, мм22х22х32
