Корпус фрезы торцевой N150.D80/Z7 NORGAU 022150080 универсальный инструмент для торцевого фрезерования. Различные геометрии пластин для обработки широкого ряда материалов. Внутренняя подача СОЖ.
.Рекомендуемый момент затяжки винта на пластине 5,0 Нм.
.Внимание, сменные пластины не входят в комплект поставки и приобретаются отдельно!
.Также дополнительно можно приобрести Винт пластины - 022156001
.В дополнительных материалах представлены перечень запасных частей и рекомендуемых значений скорости резания и подачи
Технические характеристики
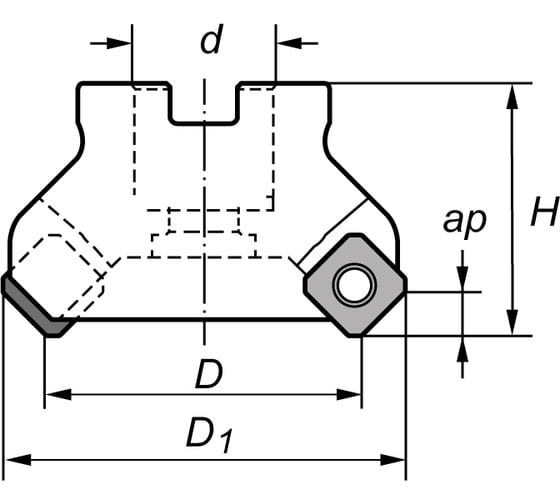
Размеры
-
Общая длина, мм50
-
Внешний диаметр, мм80
-
Посадочный диаметр фрез, мм27
Хвостовик
-
Тип хвостовиканет
Пластины
-
Количество пластин7
-
Размер пластины12
-
Тип пластиныSNEU
Особенности
-
Количество зубьев, шт7
-
Тип фрезыкорпус
-
Канал для СОЖда
-
Вид фрезынасадная
