Корпус фрезы торцевой N150.D200/Z14 NORGAU 022150200 универсальный инструмент для торцевого фрезерования. Различные геометрии пластин для обработки широкого ряда материалов.
.Рекомендуемый момент затяжки винта на пластине 5,0 Нм.
.Внимание, сменные пластины не входят в комплект поставки и приобретаются отдельно!
.Также дополнительно можно приобрести Винт пластины - 022156001
.В дополнительных материалах представлены перечень запасных частей и рекомендуемых значений скорости резания и подачи
Технические характеристики
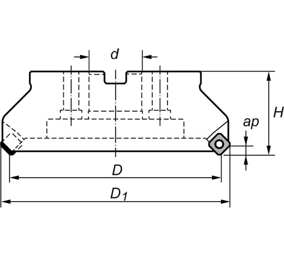
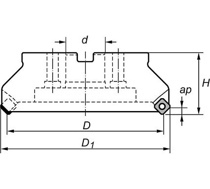
Размеры
-
Общая длина, мм63
-
Внешний диаметр, мм200
-
Посадочный диаметр фрез, мм60
Хвостовик
-
Тип хвостовиканет
Пластины
-
Количество пластин14
-
Размер пластины12
-
Тип пластиныSNEU
Особенности
-
Количество зубьев, шт14
-
Тип фрезыкорпус
-
Канал для СОЖнет
-
Вид фрезынасадная
