Предохранительный клапан используется в качестве предохранительного элемента в распределительных трансформаторах.
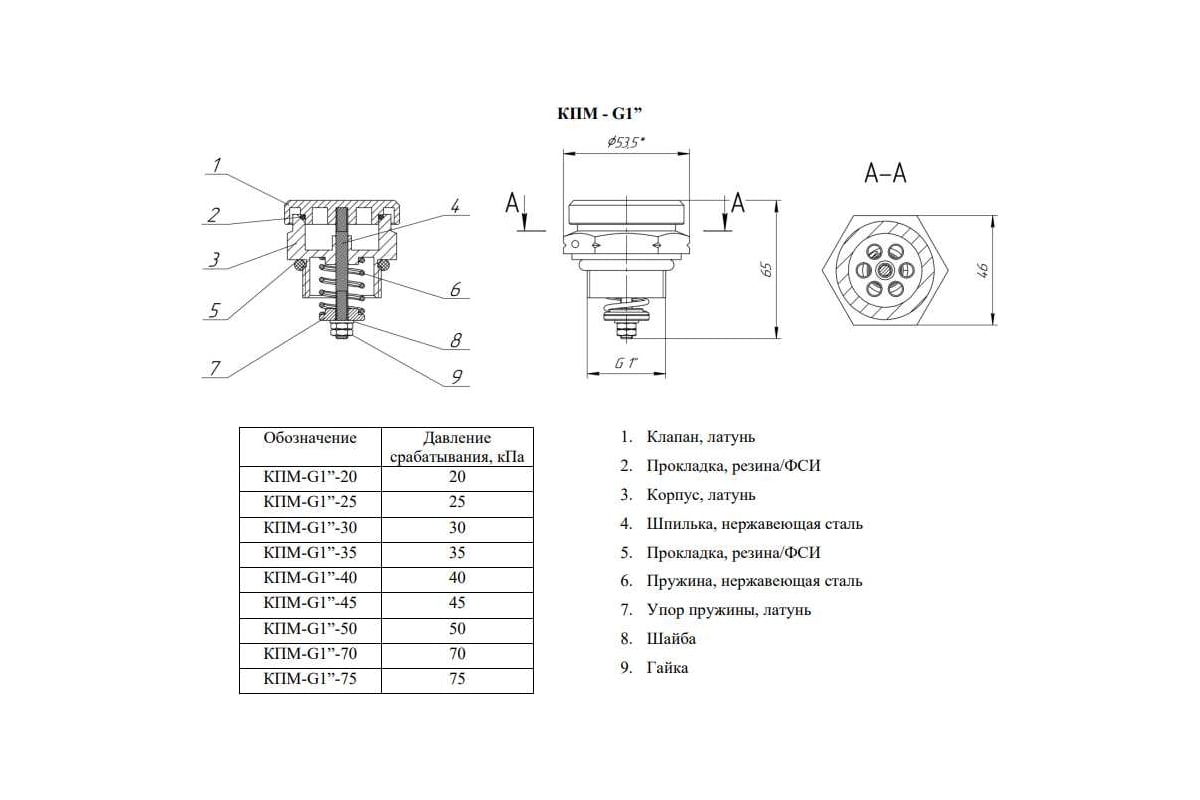
.Принцип действия: при повышении давления в трубопроводе, емкости, баке трансформатора выше заданного предела клапан перемещается вверх вместе с прокладкой, тем самым высвобождая избыточное давление. При падении давления до допустимых значений пружина возвращает клапан в исходное положение, при этом герметичность клапана сохраняется. Установка может быть как внутренней, так и наружной.
.Пружины клапана прижимают клапан к корпусу. Корпус установлен на бак.
.Давление, создаваемое маслом трансформатора, воздействует на клапан в другую сторону, противодействуя пружинам. Когда сила воздействия масла на клапан превышает силу пружин — клапан открывается. При уменьшении силы воздействия масла — клапан закрывается.
Технические характеристики
-
Диаметр резьбы входного патрубка, дюйм1
-
Мах рабочая температура, °С90
-
ГазовыйНет
-
Давление срабатывания, бар0.5
-
Тип резьбы1
-
Вид клапанапружинный
-
Тип присоединения входного патрубкавнутренняя резьба
-
Материаллатунь + нержавеющая сталь
