Динамическая грузоподъемность данной каретки – 1,9 кН, статическая – 2,6 кН
.Длина составляет 28,9 мм
.Размер крепежных отверстий – M3x3
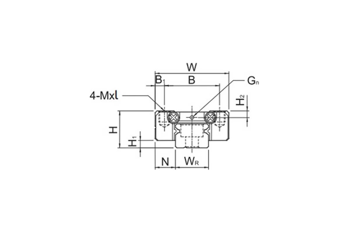
.Ширина B, мм 15
.Высота H1, мм 2
.Длина L1, мм 18,9
.Высота H2, мм 1,8
.Ширина C, мм 10
.Резьба Mxl M3x3
.Диаметр Gn, мм 1,2
.Ширина N, мм 5,5
.Ширина W, мм 20
.Высота H, мм 10
.Длина L, мм 28,9
.Ширина B1, мм 2,5
.Динамическая нагрузка C, kН 1,9
.Вес, кг 0,016
.Статическая нагрузка C0, kH 2,6
Технические характеристики
Нагрузка
-
Динамическая нагрузка, Н1900
-
Статическая нагрузка, Н2600
Размеры
-
Длина хода, мм28.9
-
Параметры винта ШВП, ммнет
Особенности
-
Материалсталь
-
Элемент системы линейного перемещениякаретка
Прочие
-
Вес нетто, кг0.016
-
Габариты без упаковки, мм28,9x32x12
