Динамическая грузоподъемность данной каретки – 1 кН, статическая – 1,27 кН
.Длина составляет 22,5 мм
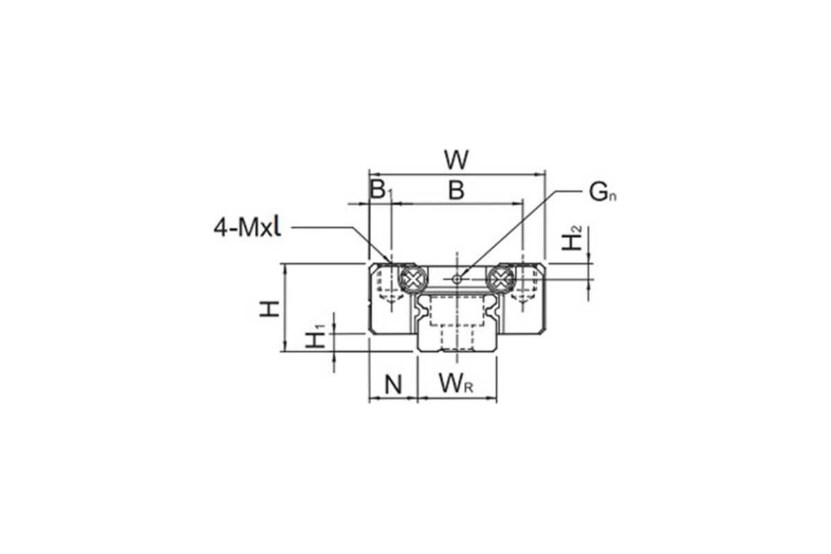
.Размер крепежных отверстий – M2x2,5
.Ширина B, мм 12
.Высота H1, мм 1,5
.Длина L1, мм 13,5
.Высота H2, мм 1,5
.Ширина C, мм 8
.Резьба Mxl M2x2,5
.Диаметр Gn, мм 1,2
.Ширина N, мм 5
.Ширина W, мм 17
.Высота H, мм 8
.Длина L, мм 22,5
.Ширина B1, мм 2,5
.Динамическая нагрузка C, kН 1
.Вес, кг 0,01
.Статическая нагрузка C0, kH 1,27
Технические характеристики
Нагрузка
-
Динамическая нагрузка, Н1000
-
Статическая нагрузка, Н1270
Размеры
-
Длина хода, мм22.5
-
Параметры винта ШВП, ммнет
Особенности
-
Материалсталь
-
Элемент системы линейного перемещениякаретка
Прочие
-
Вес нетто, кг0.01
-
Габариты без упаковки, мм22,5x17x6,5
